Baterie są wszędzie – od naszych smartfonów po pojazdy elektryczne, które rewolucjonizują transport. Stały się one niewidzialną, ale kluczową siłą napędową współczesnego świata. Jednak za ich prostotą użytkowania kryje się ogromna złożoność inżynieryjna. Inżynierowie stają przed nieustannymi wyzwaniami, balansując sprzeczne cele: jak zmaksymalizować gęstość energii, jednocześnie gwarantując bezpieczeństwo przed niekontrolowanym wzrostem temperatury (thermal runaway)? Jak wydłużyć żywotność baterii, oferując jednocześnie możliwość szybkiego ładowania? Na szczęście, nowoczesne narzędzia symulacyjne, takie jak Dymola i dedykowana biblioteka Battery, oferują zaskakująco elastyczne i potężne podejścia do rozwiązywania tych palących problemów. W tym artykule odkryjemy pięć najbardziej interesujących aspektów, które pokazują, jak zaawansowane stało się dziś modelowanie baterii.
To nie jest jedno rozwiązanie dla wszystkich, to cyfrowe klocki Lego
Biblioteka Baterii Dymola nie jest monolitycznym, sztywnym narzędziem, ale raczej zaawansowanym, modułowym zestawem. Jej struktura opiera się na kilku kluczowych pakietach, takich jak Cells (modelowanie ogniw), Packs (modelowanie pakietów), BMS (modelowanie systemów zarządzania baterią), a także bardziej wyspecjalizowanych, jak Electrochemical (modelowanie na poziomie zjawisk elektrochemicznych) czy pakiet dedykowany dopasowywanie parametrów Parameter fitting.

Główną zaletą tego podejścia jest elastyczność. Każdy model ogniwa jest predefiniowaną układem złożonym z wymienialnych sub-modeli: modelu elektrycznego, modelu termicznego i modelu starzenia (ang. aging). Proces ten przypomina budowanie z cyfrowych klocków Lego: inżynier może dowolnie „redefiniować” i zastępować wybrane komponenty modeli innymi. Chcesz zamienić prosty model termiczny na wersję 3D o wysokiej wierności, aby zbadać gradienty temperatury? Możesz to zrobić bez przebudowywania całego ogniwa. Ta zdolność do redefiniowania i zastępowania komponentów w predefiniowanych strukturach pozwala tworzyć wysoce złożone i unikalne systemy bateryjne, idealnie dopasowane do konkretnych wymagań projektowych.
Możesz wybrać swój własny poziom realizmu
Nie każda symulacja wymaga tej samej szczegółowości. Model w Dymola tworzony z zastosowaniem biblioteki Battery pozwala inżynierom świadomie wybierać poziom złożoności modelu, dopasowując narzędzie do zadania. Wybór ten jest podyktowany konkretnym celem inżynierskim.
Dostępne spektrum jest szerokie i obejmuje:
Modele oparte na równoważnych obwodach elektrycznych: Są to szybkie obliczeniowo modele, idealne do badań na poziomie systemowym. Wybiera się je np., aby przewidzieć zasięg pojazdu elektrycznego w standardowym cyklu jezdnym, gdzie kluczowa jest szybkość symulacji.

Złożone modele elektrochemiczne: Oferują głęboki wgląd w wewnętrzne procesy fizyczne ogniwa. Są niezbędne do analizy fundamentalnych przyczyn degradacji ogniw lub projektowania nowych materiałów elektrod, gdzie wewnętrzne zjawiska fizykochemiczne jest kluczowe.

Trójwymiarowe modele termiczne: Niezastąpione w zadaniach krytycznych dla bezpieczeństwa. Pozwalają na precyzyjną analizę rozkładu temperatury, co jest fundamentem projektowania systemu chłodzenia pakietu lub symulacji propagacji niekontrolowanego wzrostu temperatury.

Kluczowa myśl jest taka, że nie ma jednego „słusznego” modelu. Inżynierowie mogą dokonać świadomego kompromisu między dokładnością a szybkością obliczeń, wybierając narzędzie idealnie dopasowane do konkretnego zadania – od szybkiego prototypowania po zaawansowane badania.
Symulacja to nie zgadywanie – jest zakorzeniona w rzeczywistości
Jednym z największych mitów na temat symulacji jest to, że jej wyniki są czysto teoretyczne. Nowoczesne narzędzia zacierają tę granicę dzięki ścisłemu powiązaniu z danymi ze świata rzeczywistego. Sercem tego procesu jest pakiet dopasowywania parametrów (Parameter Fitting), który służy do kalibracji modeli na podstawie rzeczywistych pomiarów.

Workflow jest logiczny i składa się z trzech etapów: eksperymentu, modelowania i optymalizacji parametrów.
Jako eksperyment rozumiemy tu przeprowadzenie fizycznych testów na prawdziwym ogniwie w celu zebrania danych. Obejmuje to testy pojemności, pomiary napięcia obwodu otwartego (Open Circuit Voltage, OCV) oraz dynamiczne testy impulsowe w celu uchwycenia wewnętrznej rezystancji ogniwa i jego zachowania przejściowego. Modelowanie to tworzenie cyfrowego modelu ogniwa w środowisku Dymola, wykorzystując odpowiednie komponenty z biblioteki Battery. Dostęp do specjalistycznych narzędzi, takich jak dołączony pakiet BatOpt, do automatycznego dopasowania i optymalizacje parametrów modelu (np. rezystancji, pojemności, charakterystyki termiczne) tak, aby jego symulowane zachowanie jak najdokładniej odpowiadało danym zmierzonym w laboratorium.

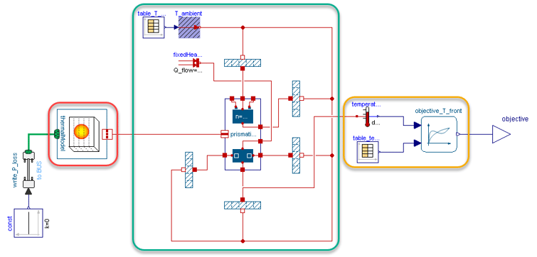
Schemat modelu kalibracyjnego do badania pojemności cieplnej
Ten proces minimalizuje różnicę między finalnymi wynikami symulacji a rzeczywistością, co gwarantuje, że model staje się prawdziwym cyfrowym bliźniakiem baterii - jest wiernym odwzorowaniem fizycznego prototypu. To buduje solidny most między światem wirtualnym a fizycznym, pozwalając na wiarygodne przewidywanie wydajności i bezpieczeństwa baterii.
Modelowanie pakietu to coś więcej niż kopiowanie ogniw
Zbudowanie pakietu baterii to znacznie więcej niż proste połączenie wielu pojedynczych ogniw. Kluczowe stają się interakcje między nimi, zwłaszcza termiczne. Dymola i biblioteka Battery oferuje dwa fundamentalnie różne podejścia do modelowania pakietów.
Pierwsze z nich to tzw. model skalowany (scaled pack model) - w tym podejściu cały pakiet jest symulowany jako jedno, odpowiednio przeskalowane ogniwo. Zaletę tego podjeścia jest niezwykle szybkie i łatwe do sparametryzowania modelowanie, co czyni go idealnym do wczesnych faz projektowania. Wada jest brak uwzględnienia dystrybucja ciepła między ogniwami. Zakłada się, że wszystkie ogniwa pracują w identycznych warunkach.

Drugie podejście to modelowanie zdyskretyzowane - tutaj każde ogniwo (lub grupa ogniw) w pakiecie jest symulowane indywidualnie. Fundamentalną zaletą tego podejścia jest możliwość bardzo dokładnej analizy rozkładu temperatury między ogniwami oraz stopnia ich degradacji, co jest kluczowe dla oceny trwałości i bezpieczeństwa pakietu. Podejście takie wymaga jednak znacznie większej mocy obliczeniowej, co przekłada się na dłuższy czas symulacji.

Wybór między tymi metodami to kluczowy inżynierski kompromis. Co ważne, model zdyskretyzowany pozwala inżynierowi zastosować szczegółowy, wspomniany wcześniej, trójwymiarowy model termiczny do każdego ogniwa z osobna, umożliwiając precyzyjną analizę gradientów temperatury, której model skalowany nie jest w stanie zapewnić.
Nie chodzi tylko o chemię, ale także o sterowanie i kontrolę
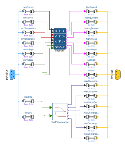
Współczesna bateria to nie tylko zbiornik energii – to inteligentny system. Dlatego nowoczesne symulacje muszą obejmować nie tylko same ogniwa, ale również system zarządzania baterią (ang. Battery Management System - BMS), który jest „mózgiem” całego pakietu. Biblioteka Battery w Dymola zawiera dedykowany pakiet BMS do modelowania tych kluczowych komponentów. W bibliotece dostępne są trzy kluczowe predefiniowane modele symulujące kluczowe funkcje BMS:
- Observer, który monitoruje prąd, napięcie, temperaturę i stan naładowania (SOC). Co istotne, dostarcza sygnały logiczne o przekroczeniu prądu, zbyt wysokim/niskim napięciu oraz zapotrzebowaniu na chłodzenie lub grzanie,
- Performance predictor, który oblicza chwilowo dostępną moc i energię w pakiecie,
- Current restrictor, który służy temu, aby wszystkie ogniwa w pakiecie funkcjonowały w zdefiniowanym bezpiecznym zakresie pracy.
Symulacja BMS połączona z modelem dyskretyzowanym pakietu to ostateczny test dla logiki sterowania. Musi ona zarządzać najsłabszym lub najgorętszym ogniwem w pakiecie – detalem, który jest całkowicie niewidoczny w modelu skalowanym. To pozwala inżynierom projektować i weryfikować bezpieczne i wydajne systemy, zanim powstanie jakikolwiek fizyczny prototyp.

Przykładowy model Systemu Zarządzania Baterią, obliczajacy limity mocy ładowania i rozładowywania baterii, generujący sygnały wyjściowe informujące o zbyt wysokim i zbyt niskim napięciu oraz natężeniem prądu, a także konieczności chłodzenia i podgrzewania
Jak to wszystko połączyć - modelowanie magistrali systemowych
Na koniec nie sposób nie zadać pytania jak efektywnie modelować lawinę danych płynących z tysięcy ogniw w pakiecie baterii do BMS? Biblioteka Battery w Dymola oferuje wysoce wyspecjalizowane modele magistrali systemowych (BusSystem), które pozwalają na niezwykle precyzyjne modelowanie systemów zarządzania baterią (BMS). Trzy kluczowe cechy tych modeli to:
- trójpoziomowa definicja - zamiast jednej magistrali, biblioteka rozdziela informacje na trzy rozszerzalne magistrale: ogniw, pakietów oraz BMSa co sprawia, że dane dotyczące pojedynczego ogniwa nie mieszają się z danymi całego pakietu ani ze sygnałami kontrolnymi,
- magistrala pakietu gromadzi nie tylko dane o całym pakiecie (jak prąd pakietu czy stan naładowania [SOC] całego modułu) ale zbiera również krytyczne statystyki z każdego pojedynczego ogniwa, w tym minimalne, maksymalne i średnie wartości SOC, temperatury oraz SOH (stan zdrowia) co pozwala np. wykryć najsłabsze ogniwo w łańcuchu,
- oferuje specjalizowane adaptery będące konwerterami logicznymi, które działają jako "tłumacze", umożliwiając przesyłanie sygnałów między różnymi typami magistral a standardowymi terminalami elektrycznymi i termicznymi - ich rola jest często niedoceniana, a są fundamentem spójności modelu całego systemu a możliwość oddzielenia wyjścia modelu elektrycznego ogniwa od wewnętrznych sygnałów magistrali, znacznie upraszcza modelowanie przepływu danych w złożonych symulacjach.
Taka architektura magistralna sprawia, że biblioteka Dymola staje się narzędziem o wyjątkowej dokładności i precyzji modelowania, ponieważ dane potrzebne do precyzyjnej kontroli (takie jak ograniczniki prądu czy predykcje mocy z BMS) są natychmiast dostępne na dedykowanej magistrali BMS.

Zastosowanie magistrali oraz adapterów na poziomie ogniwa
Podsumowanie
Jak widać, nowoczesne modelowanie baterii to dziedzina, która przeszła długą drogę od prostych schematów i modeli tworzonych w np. w Matlabie. Biblioteka Battery w Dymola stanowi kompletny zestaw narzędzi, który przenosi projektowanie baterii z procesu fizycznych prób i błędów, wspieranych fragmentarycznie przez proste modele matematyczne, do predykcyjnej bazujące na wielodomenowym modelowaniu z użyciem cyfrowego bliźniaka. Dzięki elastyczności (cyfrowe klocki Lego), podejściu opartemu na danych, modelowaniu wieloskalowemu (od ogniwa do pakietu), łatwo skalowalnemu stopniu dokładności modelowania oraz symulacji inteligentnego sterowania (BMS), inżynierowie mogą skutecznie rozwiązywać fundamentalne wyzwania, takie jak konflikt między gęstością energii a bezpieczeństwem. Pozostaje tylko zadać pytanie: skoro dysponujemy tak zaawansowanymi narzędziami, jak będzie wyglądać następna generacja baterii i jakie innowacje przyniesie?